When you need reliable structural steel for deep foundation projects, Russian Standard GOST 57837-2017 H Beams deliver exceptional performance and durability. These precision-engineered steel pillars meet rigid Russian national guidelines, guaranteeing reliable quality for your basic framework applications. Fabricated from high-grade materials counting Ст3кп/сп, C255, C345, and C355, our H bars give prevalent load-bearing capacity and basic keenness for marine structures, warrior bar frameworks, and profound establishment back ventures over different industries.
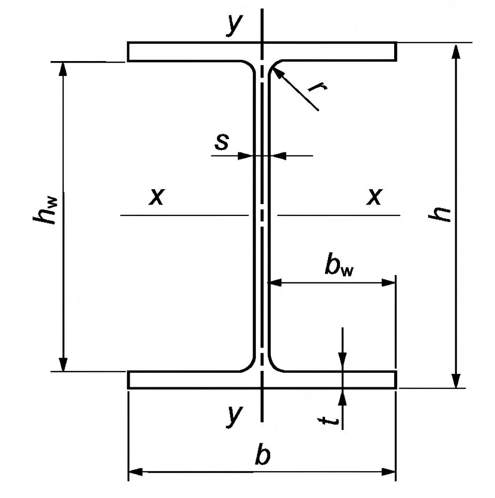
H bars made concurring to GOST 57837-2017 benchmarks speak to the apex of Russian building greatness. These basic steel areas highlight an "H" cross-sectional profile that conveys ideal strength-to-weight proportions for requesting development applications.
Our comprehensive stock incorporates different measurements and fabric grades to coordinate your particular extend necessities. Whether you're working on marine foundation, bridge development, or urban advancement ventures, these pillars give the auxiliary establishment your ventures demand.

| Height (mm) | Flange Width (mm) | Web Thickness (mm) | Flange Thickness (mm) | Weight (kg/m) | Section Modulus (cm³) |
|---|---|---|---|---|---|
| 100 | 100 | 6.0 | 8.0 | 16.9 | 39.7 |
| 120 | 120 | 6.5 | 11.0 | 26.7 | 73.0 |
| 140 | 140 | 7.0 | 12.0 | 37.0 | 115.0 |
| 160 | 160 | 8.0 | 13.0 | 48.6 | 167.0 |
| 180 | 180 | 8.5 | 14.0 | 60.0 | 231.0 |
| 200 | 200 | 9.0 | 15.0 | 73.3 | 309.0 |
| 250 | 250 | 9.0 | 14.0 | 88.2 | 472.0 |
| 300 | 300 | 10.0 | 15.0 | 112.0 | 681.0 |
Custom dimensions available upon request
| Grade | Yield Strength (MPa) | Tensile Strength (MPa) | Elongation (%) | Application |
|---|---|---|---|---|
| Ст3кп | ≥235 | 370-470 | ≥26 | General construction |
| Ст3сп | ≥235 | 370-470 | ≥26 | Welded structures |
| C255 | ≥255 | 380-490 | ≥22 | Heavy-duty applications |
| C345 | ≥345 | 470-590 | ≥20 | High-strength requirements |
| C355 | ≥355 | 490-610 | ≥18 | Critical load-bearing |


Our Russian Standard GOST 57837-2017 H Beams excel in deep foundation applications where soil conditions require robust structural support. These beams serve as primary load-bearing elements in pile foundation systems, providing excellent bearing capacity in challenging ground conditions.
Coastal and seaward ventures advantage from the prevalent erosion resistance and auxiliary judgment of these H bars. When combined with our progressed coating frameworks, they provide extraordinary execution in unforgiving marine environments.
For excavation support and retaining wall applications, these beams provide the structural backbone for soldier beam and lagging systems. Their precise dimensional tolerances ensure seamless integration with lagging materials.
Highway and railway bridge projects rely on the consistent quality and load-bearing performance of GOST-standard H beams for both temporary works and permanent structures.
As part of Tianjin Xinyue Steel Group, we leverage over 40 years of steel manufacturing expertise. Our integrated approach covers everything from raw material processing to final delivery, ensuring consistent quality at every step.
Every bar experiences thorough testing and review methods. Our quality administration framework gives full traceability from steel generation through last shipment, giving you certainty in fabric performance.
With strategically located warehouses and offices worldwide, including facilities in UAE and Dubai, we deliver Russian Standard GOST 57837-2017 H Beams efficiently to your project site, typically within 7-45 days.
Our specialized group gives comprehensive building bolster, from fabric determination direction to custom manufacture arrangements. We work closely with your extend group to optimize basic plans and guarantee fruitful implementation.
Q: What's the contrast between GOST and ASTM H pillar standards?
A: GOST 57837-2017 takes after Russian dimensional and quality details, which may vary from ASTM guidelines in resiliences, fabric grades, and testing prerequisites. Our specialized group can offer assistance you decide the best standard for your particular application.
Q: Can you give custom lengths and creation services?
A: Yes, we offer custom cutting, welding, and manufacture administrations to meet your correct venture determinations. Our coordinates fabricating capabilities permit for productive customization without compromising conveyance schedules.
Q: What surface medications are available?
A: We give different surface medicines counting galvanizing, epoxy coating, and specialized marine coatings. Treatment determination depends on your natural conditions and execution requirements.
Q: How do you guarantee quality compliance with GOST standards?
A: Our fabricating forms are certified to GOST prerequisites, with normal third-party reviews and comprehensive process test certificates given with each shipment.
Q: What's your typical delivery timeframe?
A: Standard sizes from our inventory typically ship within 7-15 days. Custom fabricated products generally require 20-45 days depending on specifications and quantity.
Ready to discuss your Russian Standard GOST 57837-2017 H Beams project requirements? Contact our technical team at sales@hypile.com for expert guidance on selecting the right H beam solution for your foundation engineering needs.
Have a project in mind? Tell us your goals — we’ll help you make it real.