Looking for reliable structural steel solutions for your next foundation project? HEA Wide Flange Beams offer exceptional strength and versatility for deep foundation support, marine structures, and soldier beam systems. These premium steel pillars combine prevalent load-bearing capacity with demonstrated toughness, making them the favored choice for engineers and temporary workers around the world. Our comprehensive stock guarantees you get the correct details you require, when you require them, sponsored by decades of designing expertise.
Our steel pillar portfolio envelops four particular profile sorts, each designed to meet particular basic prerequisites. Whether you're working on bridge establishments, marine establishments, or urban advancement ventures, we give the right bar arrangement for your application.
These auxiliary steel individuals exceed expectations in requesting situations where quality and unwavering quality are non-negotiable. From coastal development to overwhelming mechanical ventures, our bars provide reliable execution beneath extraordinary stacking conditions.
Key Features:

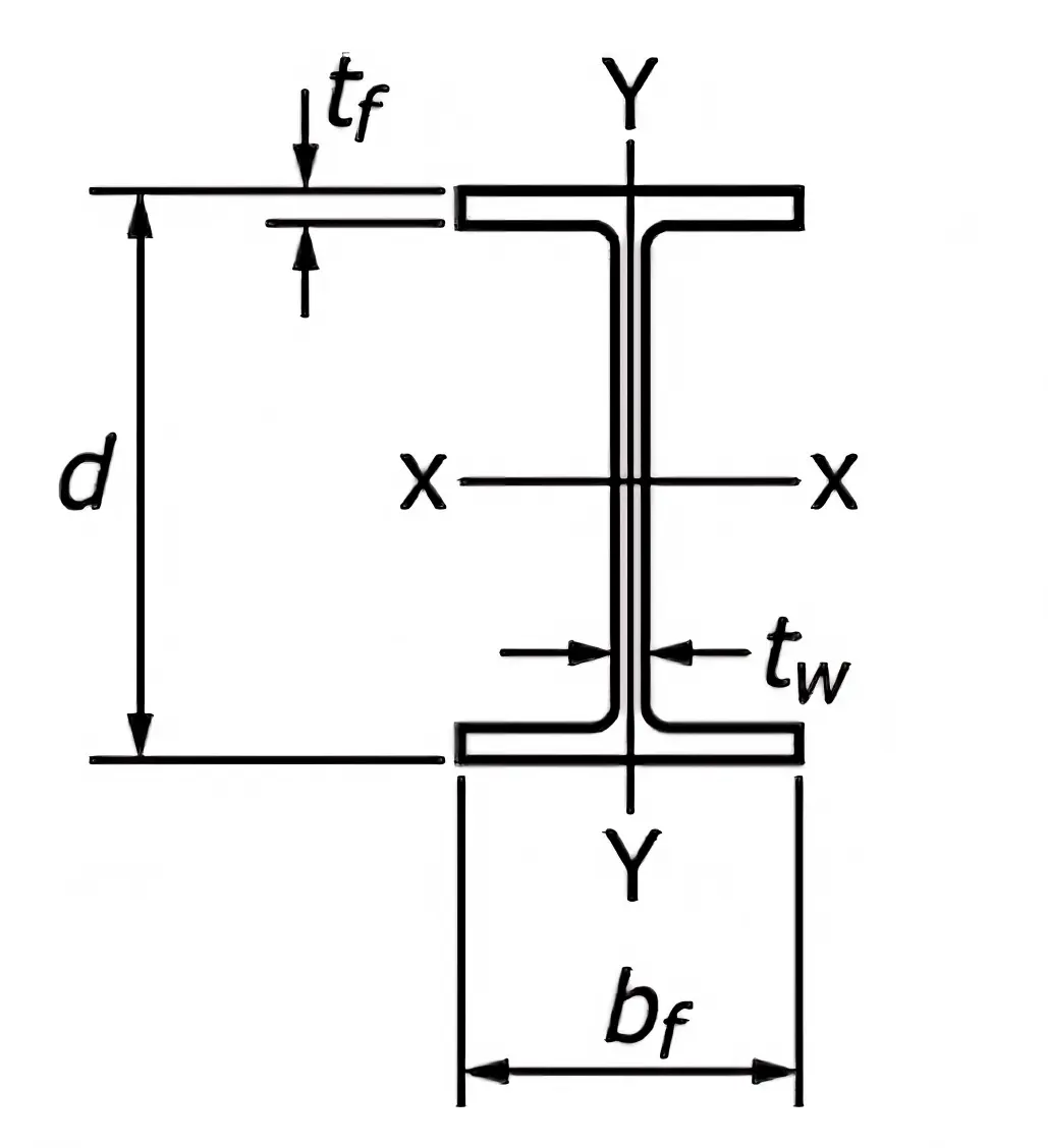
| Designation | Depth (mm) | Width (mm) | Web Thickness (mm) | Flange Thickness (mm) | Weight (kg/m) |
|---|---|---|---|---|---|
| W150×24 | 160 | 102 | 6.6 | 10.3 | 24.0 |
| W200×46 | 203 | 133 | 7.2 | 11.0 | 46.1 |
| W250×58 | 254 | 146 | 8.6 | 13.0 | 58.8 |
| W310×79 | 310 | 165 | 9.7 | 15.4 | 79.3 |
| W360×101 | 356 | 171 | 11.5 | 16.8 | 101.0 |
| W410×149 | 410 | 180 | 16.0 | 21.1 | 149.0 |

| Designation | Depth (mm) | Width (mm) | Web Thickness (mm) | Flange Thickness (mm) | Weight (kg/m) |
|---|---|---|---|---|---|
| S150×26 | 150 | 76 | 7.4 | 11.5 | 25.7 |
| S200×34 | 200 | 86 | 8.4 | 14.4 | 34.0 |
| S250×52 | 254 | 118 | 9.5 | 15.7 | 52.3 |
| S310×74 | 310 | 129 | 10.8 | 17.4 | 74.2 |
| S380×74 | 381 | 110 | 10.6 | 16.1 | 74.4 |
| S460×104 | 460 | 120 | 13.1 | 19.0 | 104.0 |

| Designation | Depth (mm) | Width (mm) | Web Thickness (mm) | Flange Thickness (mm) | Weight (kg/m) |
|---|---|---|---|---|---|
| M100×8 | 102 | 51 | 4.5 | 7.2 | 8.2 |
| M150×18 | 152 | 86 | 5.8 | 9.3 | 18.1 |
| M200×24 | 203 | 92 | 6.2 | 10.2 | 23.8 |
| M250×35 | 254 | 102 | 7.9 | 12.4 | 35.7 |
| M310×39 | 305 | 102 | 7.6 | 12.8 | 39.1 |
| M360×51 | 356 | 127 | 9.1 | 13.4 | 50.7 |

| Designation | Depth (mm) | Width (mm) | Web Thickness (mm) | Flange Thickness (mm) | Weight (kg/m) |
|---|---|---|---|---|---|
| HP200×53 | 204 | 207 | 11.8 | 11.8 | 53.1 |
| HP250×85 | 254 | 259 | 14.4 | 14.4 | 85.0 |
| HP310×79 | 299 | 306 | 11.8 | 11.8 | 79.0 |
| HP310×93 | 303 | 308 | 13.8 | 13.8 | 93.2 |
| HP360×108 | 350 | 354 | 13.5 | 13.5 | 108.0 |
| HP410×140 | 407 | 412 | 17.4 | 17.4 | 140.0 |
Material Standards:
Manufacturing Specifications:
Surface Treatment Options:


Deep Foundation Systems: HEA European Wide Flange Beams provide exceptional support for building foundations, retaining walls, and basement construction. Their high moment capacity handles lateral earth pressures effectively.
Marine & Waterfront Development: Coastal ventures advantage from our corrosion-resistant pillar arrangements. Pile-supported structures, wharves, and seawalls depend on these bars for long-term stability.
Bridge & Framework: Interstate overpasses, railroad bridges, and person on foot walkways utilize our auxiliary bars for both brief back amid development and changeless load-bearing elements.
Industrial Offices: Overwhelming fabricating plants, stockrooms, and preparing offices depend on these pillars for their strong load-carrying capabilities and plan flexibility.
Decades of Steel Expertise: As part of Tianjin Xinyue Steel Group, we bring over 40 years of steel manufacturing excellence to every project. Our experience spans global markets and diverse applications.
Complete Supply Chain Control: From crude fabric sourcing to last conveyance, we oversee each step of the handle. This integration guarantees steady quality and dependable venture timelines.
Global Reach, Nearby Benefit: With workplaces and distribution centers in key markets counting UAE and Dubai, we give quick conveyance and responsive back wherever your venture is located.
Engineering Back: Our specialized group helps with pillar choice, stack calculations, and establishment direction. You get master counsel to optimize your basic design.
Quality Assurance: Every beam undergoes rigorous testing and inspection. Our "BUILD TO THE LAST" philosophy ensures your structures perform reliably for decades.
Q: What's the typical delivery time for standard beam sizes?
A: Standard sizes from our inventory ship within 7-14 days. Custom fabricated beams require 30-45 days depending on specifications and quantity.
Q: Can you give custom lengths and penetrating services?
A: Yes, we offer cut-to-length administrations and can penetrate jolt gaps agreeing to your drawings. Our creation shop handles custom adjustments efficiently.
Q: What certifications do your beams carry?
A: All beams come with mill test certificates showing chemical composition and mechanical properties. We also provide material traceability documentation.
Q: Do you offer technical support for beam selection?
A: Completely. Our building group makes a difference you select the right item for your particular stacking conditions and extend requirements.
Q: What coating choices are accessible for marine environments?
A: We give hot-dip galvanizing, epoxy coatings, and specialized marine-grade defensive frameworks to amplify benefit life in cruel situations.
Ready to discuss your HEA European Wide Flange Beams structural beam requirements? Contact our technical sales team at sales@hypile.com for expert guidance and competitive pricing. We're here to help you build structures that last.
Have a project in mind? Tell us your goals — we’ll help you make it real.