When you require solid basic steel for your development extend, AS/NZS 3679.2 Welded I-Sections provide extraordinary execution and quality.These precision-engineered steel areas meet the exacting Australian and Modern Zealand benchmarks, guaranteeing your structures stand the test of time. Our comprehensive extend incorporates both Welded Bars (WB) and Welded Columns (WC) made to AS/NZS 3679.2:2016 determinations. Accessible in numerous fabric grades counting 300, 300L0, 300L15, 300S0, 350, 350L0, 350S0, and 350L15, these items give the flexibility you require for different applications.
At Tianjin Hypile Foundation Engineering Co., Ltd., we combine over 40 years of steel manufacturing expertise with modern technology. This ensures every I-section meets your exact requirements while maintaining superior quality standards.

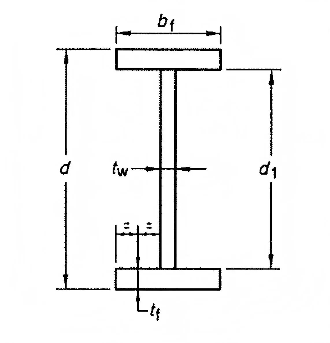
| Section | Depth (mm) | Width (mm) | Web Thickness (mm) | Flange Thickness (mm) | Weight (kg/m) |
|---|---|---|---|---|---|
| WB200×25 | 200 | 150 | 6.0 | 9.0 | 25.3 |
| WB250×32 | 250 | 150 | 6.0 | 12.0 | 32.1 |
| WB300×38 | 300 | 200 | 8.0 | 12.0 | 38.5 |
| WB360×45 | 360 | 200 | 8.0 | 15.0 | 45.2 |
| WB410×52 | 410 | 250 | 10.0 | 15.0 | 52.8 |
| WB460×58 | 460 | 250 | 10.0 | 18.0 | 58.6 |
| WB530×66 | 530 | 300 | 12.0 | 18.0 | 66.4 |

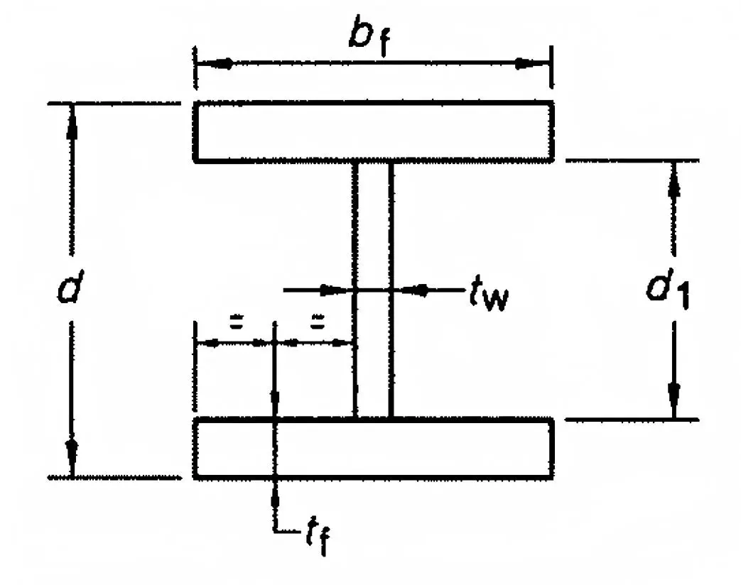
| Section | Depth (mm) | Width (mm) | Web Thickness (mm) | Flange Thickness (mm) | Weight (kg/m) |
|---|---|---|---|---|---|
| WC200×42 | 200 | 200 | 8.0 | 16.0 | 42.1 |
| WC250×58 | 250 | 250 | 10.0 | 20.0 | 58.3 |
| WC300×74 | 300 | 300 | 12.0 | 22.0 | 74.6 |
| WC350×89 | 350 | 350 | 14.0 | 24.0 | 89.2 |
| WC400×106 | 400 | 400 | 16.0 | 26.0 | 106.8 |
| WC450×124 | 450 | 450 | 18.0 | 28.0 | 124.5 |
| WC500×142 | 500 | 500 | 20.0 | 30.0 | 142.3 |
Our welded I-sections highlight remarkable mechanical properties that guarantee dependable execution over different applications. The steel grades extend from 300 to 350 MPa abdicate quality, giving you with choices to coordinate your particular stack requirements.
Material Specifications:
Quality Assurance:


These structural steel sections excel in numerous construction scenarios. Deep foundation support systems benefit from their superior load-bearing capacity and stability. Marine structures rely on their corrosion resistance when properly treated. The sections work exceptionally well in soldier beam and lagging systems for excavation support.
High-rise buildings, mechanical offices, and foundation ventures around the world believe AS/NZS 3679.2 Welded I-Sections for their basic auxiliary components. Bridge development, distribution center surrounding, and commercial building ventures reliably select these areas for their unwavering quality and execution.
Your venture merits the best auxiliary steel arrangements accessible. We give comprehensive bolster from introductory interview through last conveyance. Our coordinates fabricating capabilities guarantee steady quality and competitive pricing.
Key Benefits:
As a auxiliary of Tianjin Xinyue Steel Gather, we use decades of steel fabricating involvement. Our "BUILD TO THE LAST" philosophy drives everything we do. You get items designed for long-term execution and basic integrity.
Q: What texture grades are available for your welded I-sections?
A: We offer grades 300, 300L0, 300L15, 300S0, 350, 350L0, 350S0, and 350L15 to meet distinctive application necessities.
Q: How rapidly can you convey these segments to my venture site?
A: Our conveyance time allotment ranges from 7-45 days depending on your area and arrange specifications.
Q: Do you give fabric certification for these products?
A: Yes, we give total traceability documentation and third-party testing certificates with each order.
Q: Can you customize areas for extraordinary extend requirements?
A: Completely. Our building group specializes in customized steel creation for one of a kind venture needs.
Q: What erosion assurance choices are available?
A: We offer different anti-corrosion medicines counting galvanizing and specialized coating frameworks for marine situations.
Ready to specify AS/NZS 3679.2 Welded I-Sections for your next project? Contact our technical team at sales@hypile.com for detailed specifications, pricing, and delivery information. We're here to help you build structures that last.
Have a project in mind? Tell us your goals — we’ll help you make it real.