When your venture requests extraordinary auxiliary bolster, ASTM A6 American Standard H-Beams provide unmatched execution and unwavering quality. These premium steel pillars meet thorough American benchmarks, giving prevalent load-bearing capacity for profound establishment back, marine structures, and complex development projects. At Tianjin Hypile Foundation Engineering Co., Ltd., we specialize in supplying high-quality H-beams that exceed industry expectations. Our comprehensive stock guarantees you get the right pillar details when you require them most.
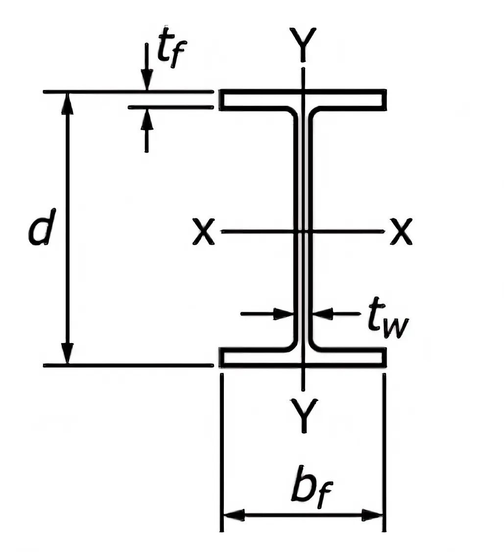
Our H-beam collection takes after ASTM A6/6M dimensional benchmarks, ensuring exact fabricating and reliable quality. You'll discover four particular shape categories planned for particular applications:
Each column sort comes in various texture grades tallying ASTM A572 GR 50, A572 GR 65, ASTM A992, ASTM A588, and ASTM A690. This grouping licenses you to select the come full circle arrange for your project's specific requests.

| Designation | Weight (lb/ft) | Depth (in) | Flange Width (in) | Web Thickness (in) | Flange Thickness (in) |
|---|---|---|---|---|---|
| W8×10 | 10.0 | 7.89 | 3.94 | 0.17 | 0.20 |
| W10×12 | 12.0 | 9.87 | 3.96 | 0.19 | 0.21 |
| W12×14 | 14.0 | 11.91 | 3.97 | 0.20 | 0.22 |
| W14×22 | 22.0 | 13.74 | 5.00 | 0.23 | 0.34 |
| W16×26 | 26.0 | 15.69 | 5.50 | 0.25 | 0.35 |

| Designation | Weight (lb/ft) | Depth (in) | Flange Width (in) | Web Thickness (in) | Flange Thickness (in) |
|---|---|---|---|---|---|
| S3×5.7 | 5.7 | 3.00 | 2.33 | 0.17 | 0.26 |
| S4×7.7 | 7.7 | 4.00 | 2.66 | 0.19 | 0.29 |
| S5×10 | 10.0 | 5.00 | 3.00 | 0.21 | 0.33 |
| S6×12.5 | 12.5 | 6.00 | 3.33 | 0.23 | 0.36 |
| S8×18.4 | 18.4 | 8.00 | 4.00 | 0.27 | 0.43 |

| Designation | Weight (lb/ft) | Depth (in) | Flange Width (in) | Web Thickness (in) | Flange Thickness (in) |
|---|---|---|---|---|---|
| M4×6 | 6.0 | 4.00 | 2.25 | 0.16 | 0.18 |
| M5×18.9 | 18.9 | 5.00 | 5.00 | 0.32 | 0.42 |
| M6×4.4 | 4.4 | 6.00 | 1.84 | 0.11 | 0.18 |
| M8×6.5 | 6.5 | 8.00 | 2.28 | 0.14 | 0.19 |
| M10×9 | 9.0 | 10.00 | 2.69 | 0.16 | 0.21 |

| Designation | Weight (lb/ft) | Depth (in) | Flange Width (in) | Web Thickness (in) | Flange Thickness (in) |
|---|---|---|---|---|---|
| HP8×36 | 36.0 | 8.02 | 8.15 | 0.45 | 0.45 |
| HP10×42 | 42.0 | 9.70 | 10.08 | 0.42 | 0.42 |
| HP12×53 | 53.0 | 11.78 | 12.04 | 0.44 | 0.44 |
| HP14×73 | 73.0 | 13.61 | 14.59 | 0.51 | 0.51 |
| HP16×88 | 88.0 | 15.44 | 16.14 | 0.55 | 0.55 |
Our beams undergo rigorous quality testing to ensure compliance with American standards. Key specifications include:
Yield Strength: 36-65 ksi depending on material grade
Tensile Strength: 58-80 ksi minimum
Chemical Composition: Controlled carbon content for optimal weldability
Dimensional Tolerance: ±1/8 inch on depth and flange width
Surface Condition: Mill finish or hot-dip galvanized options available
Each shipment includes complete mill test certificates and traceability documentation. This ensures you receive ASTM A6 American Standard H-Beams that meet your project's exact requirements.


These versatile structural elements excel in diverse construction scenarios:
Deep Establishment Frameworks: HP shapes give remarkable bearing capacity for challenging soil conditions
Marine Development: Corrosion-resistant grades withstand cruel saltwater environments
Bridge Framework: Wide spine bars bolster overwhelming activity loads with negligible deflection
Commercial Buildings: Standard shapes offer cost-effective arrangements for mid-rise construction
Industrial Offices: Heavy-duty applications advantage from predominant strength-to-weight ratios
Tianjin Hypile Foundation Engineering brings over 40 years of steel manufacturing expertise to your projects. Our "BUILD TO THE LAST" philosophy ensures every beam delivers maximum performance and longevity.
Comprehensive Stock: Quick accessibility diminishes extend delays
Global Conveyance Arrange: Quick shipping around the world in 7-45 days
Quality Affirmation: Full traceability and thorough testing protocols
Technical Back: Building help for complex applications
Competitive Estimating: Coordinate producer estimating without mediator markups
Q: What's the difference between W shapes and HP shapes?
A: W shapes feature wider flanges relative to depth, while HP shapes have nearly equal depth and flange width dimensions, making them ideal for pile applications.
Q: Can you provide custom lengths?
A: Yes, we offer cutting services to meet your specific length requirements. Standard lengths are 20-60 feet.
Q: What coating options are available?
A: We provide mill finish, primer coating, and hot-dip galvanizing. Marine-grade coatings are available for saltwater exposure.
Q: How do I determine the right beam size?
A: Our engineering team can help you select appropriate specifications based on load requirements and span distances.
Ready to enhance your project with premium ASTM A6 American Standard H-Beams? Contact our team at sales@hypile.com for detailed quotations and technical support. We're here to help you build structures that stand the test of time.
Have a project in mind? Tell us your goals — we’ll help you make it real.