Chinese Standard GB/T 11263-2017 H Beams - Professional Foundation Solutions
Looking for reliable structural steel solutions for your foundation projects? Chinese Standard GB/T 11263-2017 H beams offer exceptional strength, durability, and precision engineering for demanding construction applications. These high-quality auxiliary bars meet China's most recent national measures, guaranteeing predominant execution in profound establishment back, marine structures, and trooper pillar frameworks. Our comprehensive stock incorporates different fabric grades and determinations, prepared for prompt shipment to back your venture timelines and designing requirements.
Product Overview
Our H pillar items are made concurring to the most recent GB/T 11263-2017 details, conveying steady quality and execution for basic designing ventures. These bars include optimized cross-sectional plans that maximize strength-to-weight proportions whereas keeping up great steadiness beneath different stack conditions.
Key Features:
- Precision-rolled cross-sections for uniform dimensions
- Enhanced load-bearing capacity for heavy-duty applications
- Corrosion-resistant surface treatments available
- Compatible with international welding and connection standards
- Suitable for both temporary and permanent structural solutions
Available Material Grades:
- Q235: Standard structural grade for general construction
- Q355: Higher strength for demanding load requirements
- Q420: Enhanced performance for critical applications
- Q460: Premium grade for extreme load conditions

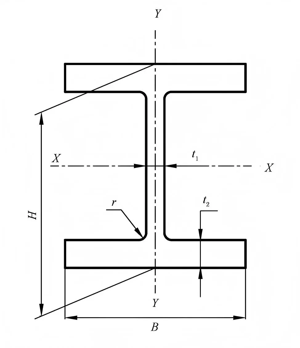
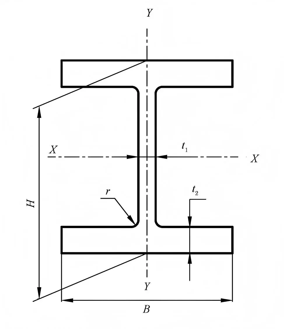
GB Standard H Beam Size Chart
| Size (mm) |
Height (H) |
Width (B) |
Web Thickness (tw) |
Flange Thickness (tf) |
Weight (kg/m) |
| HW100×100 |
100 |
100 |
6 |
8 |
17.2 |
| HW125×125 |
125 |
125 |
6.5 |
9 |
23.8 |
| HW150×150 |
150 |
150 |
7 |
10 |
31.9 |
| HW200×200 |
200 |
200 |
8 |
12 |
50.5 |
| HW250×250 |
250 |
250 |
9 |
14 |
72.4 |
| HW300×300 |
300 |
300 |
10 |
15 |
94.5 |
| HW350×350 |
350 |
350 |
12 |
19 |
137.0 |
| HW400×400 |
400 |
400 |
13 |
21 |
172.0 |
Note: Additional sizes and custom dimensions available upon request
Technical Data
Manufacturing Standards:
- Production Standard: GB/T 11263-2017
- Quality Control: ISO 9001:2015
- Material Testing: Third-party certification available
- Dimensional Tolerance: ±2mm on standard dimensions
Mechanical Properties (Q355 Grade):
- Yield Strength: ≥355 MPa
- Tensile Strength: 470-630 MPa
- Elongation: ≥20%
- Impact Energy: ≥27J at -20°C
Surface Treatment Options:
- Hot-dip galvanizing for marine environments
- Epoxy coating for enhanced corrosion protection
- Shot blasting and primer application
- Custom coating solutions available
Applications
Deep Foundation Systems
H pillars serve as essential auxiliary components in profound establishment applications, giving solid back for high-rise buildings, bridges, and mechanical offices. Their predominant bearing capacity makes them perfect for challenging soil conditions.
Marine Construction Projects
Coastal and offshore structures benefit from our Chinese Standard GB/T 11263-2017 H beams corrosion-resistant H beam solutions. The robust design withstands harsh marine environments while maintaining structural integrity over extended service periods.
Soldier Beam and Lagging Systems
Excavation bolster ventures depend on H pillars for brief soil maintenance frameworks. The bars give fabulous horizontal bolster whereas permitting adaptable establishment strategies to suit different location conditions.
Infrastructure Development
Transportation foundation, counting metro frameworks, thruway overpasses, and air terminal terminals, utilizes our H bar items for both transitory bolster amid development and changeless basic elements.
Why Choose Us
Integrated Manufacturing Excellence
As part of Tianjin Xinyue Steel Group, we leverage over 40 years of steel manufacturing expertise to deliver consistently high-quality products that meet international standards and project specifications.
Comprehensive Solution Provider
Beyond providing materials, we offer total turnkey arrangements counting manufacture, surface treatment, warehousing, and on-site building back to streamline your extend execution.
Global Reach with Neighborhood Support
Our worldwide nearness incorporates abroad workplaces and stockrooms in UAE and Dubai, empowering speedier conveyance times and localized client benefit for ventures worldwide.
Quality Affirmation & Traceability
Every item experiences thorough quality control forms with full fabric traceability. We give total documentation counting process certificates, test reports, and compliance certifications.
Flexible Stock Management
Our broad stockroom offices keep up considerable stock levels over numerous details, guaranteeing prompt accessibility for critical venture prerequisites and decreasing acquirement lead times.
FAQ
Q: What conveyance times can I anticipate for standard H pillar orders?
A: Standard sizes are regularly transported inside 7-15 days from our existing stock. Custom details may require 20-45 days depending on amount and uncommon requirements.
Q: Can you give custom lengths and extraordinary fabrication?
A: Yes, we offer cutting, boring, welding, and other creation administrations to meet your particular venture prerequisites. Our building group can help with custom plan solutions.
Q: What certifications and testing documentation do you provide?
A: All items incorporate process certificates, chemical examination reports, and mechanical property test comes about. Third-party assessment and extra testing can be orchestrated upon request.
Q: Do you offer specialized bolster for venture planning?
A: Our experienced building group gives specialized interview, stack calculations, and establishment direction to guarantee ideal execution of the item in your particular application.
Q: What installment and shipping terms are available?
A: We acknowledge different installment strategies counting T/T, L/C, and exchange financing choices. Shipping can be organized Dandy, CIF, or DDP depending on your inclinations and extend area.
Contact Us
Ready to discuss your Chinese Standard GB/T 11263-2017 H beams requirements?Contact our technical sales team at sales@hypile.com for detailed quotations, technical specifications, and project consultation. We're committed to delivering the right structural solutions for your success.