When you need reliable structural steel for demanding foundation projects, ASTM A572 Gr65 H-Beams deliver exceptional performance and durability. These high-strength steel pillars offer predominant load-bearing capacity with a least abdicate quality of 450 MPa, making them idealize for profound establishment bolster, marine structures, and warrior bar frameworks. Our comprehensive stock guarantees you get the correct details you require for your extend timeline.
ASTM A572 Review 65 speaks to one of the most noteworthy quality levels in the A572 determination family. These H-beams combine great auxiliary properties with exceptional weldability and processability. You'll discover them perfect for applications requiring both quality and versatility.
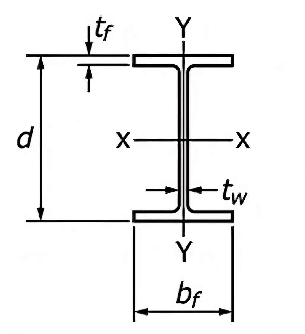
Key Specifications:

| Designation | Depth (mm) | Flange Width (mm) | Web Thickness (mm) | Flange Thickness (mm) | Weight (kg/m) |
|---|---|---|---|---|---|
| W150×22.5 | 152 | 152 | 5.8 | 9.9 | 22.5 |
| W200×31.3 | 203 | 165 | 6.4 | 11.0 | 31.3 |
| W250×44.8 | 254 | 203 | 7.6 | 12.7 | 44.8 |
| W300×74.4 | 307 | 254 | 9.4 | 15.4 | 74.4 |
| W360×91.0 | 359 | 305 | 10.7 | 16.4 | 91.0 |

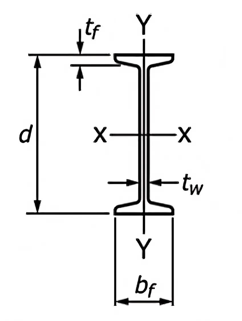
| Designation | Depth (mm) | Flange Width (mm) | Web Thickness (mm) | Flange Thickness (mm) | Weight (kg/m) |
|---|---|---|---|---|---|
| S100×11.5 | 102 | 68 | 4.1 | 7.2 | 11.5 |
| S150×18.6 | 152 | 84 | 5.1 | 9.2 | 18.6 |
| S200×27.4 | 203 | 106 | 5.8 | 11.4 | 27.4 |
| S250×37.8 | 254 | 118 | 6.4 | 12.7 | 37.8 |
| S300×52.3 | 305 | 129 | 7.6 | 16.8 | 52.3 |

| Designation | Depth (mm) | Flange Width (mm) | Web Thickness (mm) | Flange Thickness (mm) | Weight (kg/m) |
|---|---|---|---|---|---|
| M100×13.4 | 102 | 76 | 4.3 | 8.5 | 13.4 |
| M150×18.0 | 152 | 102 | 4.6 | 9.3 | 18.0 |
| M200×25.3 | 203 | 102 | 6.2 | 10.2 | 25.3 |
| M250×35.0 | 254 | 124 | 6.1 | 12.4 | 35.0 |
| M310×52.0 | 311 | 154 | 7.2 | 15.4 | 52.0 |

| Designation | Depth (mm) | Flange Width (mm) | Web Thickness (mm) | Flange Thickness (mm) | Weight (kg/m) |
|---|---|---|---|---|---|
| HP200×53.0 | 204 | 207 | 11.3 | 11.3 | 53.0 |
| HP250×62.0 | 254 | 254 | 9.9 | 9.9 | 62.0 |
| HP310×79.0 | 312 | 306 | 11.3 | 11.3 | 79.0 |
| HP360×109 | 362 | 374 | 14.9 | 14.9 | 109.0 |
| HP410×140 | 417 | 405 | 18.3 | 18.3 | 140.0 |
Material Properties:
Manufacturing Standards:


Deep Foundation Systems
Your foundation projects benefit from the high strength-to-weight ratio. These beams excel in soil retention and load transfer applications.
Marine Construction
Coastal and seaward ventures request materials that withstand unforgiving situations. Our ASTM A572 Gr65 H-Beams offer superior corrosion resistance when properly treated.
Soldier Beam Applications
Excavation support systems rely on these beams for their excellent bending resistance and installation efficiency.
Bridge Construction
Infrastructure projects require dependable materials. These H-beams give the basic keenness required for long-span applications.
Comprehensive Inventory Management
We maintain extensive stock levels across all popular sizes. This means faster delivery times for your urgent projects.
Quality Assurance
Our "BUILD TO THE LAST" philosophy ensures every beam meets strict quality standards. You receive detailed mill certificates with chemical and mechanical property verification.
Technical Expertise
With over 40 a long time of steel fabricating encounter through Tianjin Xinyue Steel Gather, we give master direction for your particular applications.
Global Reach
Our worldwide nearness, counting offices in UAE and Dubai, empowers localized back and speedier extend completion.
Custom Solutions
Need extraordinary lengths or extra preparing? Our creation capabilities permit us to customize items to your correct requirements.
Q: What's the distinction between Review 65 and lower grades?
A: Review 65 offers higher abdicate quality (450 MPa vs 345 MPa for Review 50), giving way better load-carrying capacity for requesting applications.
Q: Are these pillars appropriate for welded connections?
A: Yes, ASTM A572 Review 65 steel has amazing weldability when utilizing suitable welding methods and preheat requirements.
Q: What conveyance times can I expect?
A: Standard sizes transport inside 2-3 weeks from our stock. Custom manufactured pieces ordinarily require 4-6 weeks.
Q: Do you give fabric certificates?
A: Completely. Each shipment incorporates process test certificates appearing chemical composition and mechanical properties.
Q: Can these pillars be galvanized?
A: Yes, our progressed surface treatment offices can give galvanizing and other defensive coatings to expand benefit life.
Ready to discuss your ASTM A572 Gr65 H-Beams project requirements? Contact our technical team at sales@hypile.com for expert guidance on selecting the right H-beam specifications for your application.
Have a project in mind? Tell us your goals — we’ll help you make it real.