Looking for solid establishment arrangements that stand the test of time? ASTM A588 Gr B Corten Steel H Beams provide extraordinary weathering resistance and predominant auxiliary execution for your most requesting ventures. These high-strength steel columns combine astounding disintegration resistance with uncommon load-bearing capabilities, making them culminate for marine circumstances, significant foundations, and challenging improvement applications. At Tianjin Hypile Establishment Designing, we give comprehensive arrangements that guarantee your ventures are built to last.
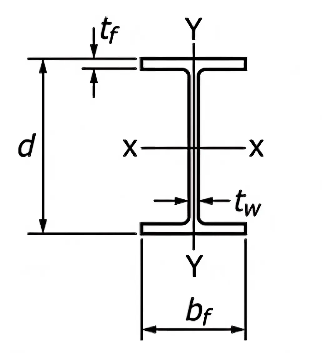
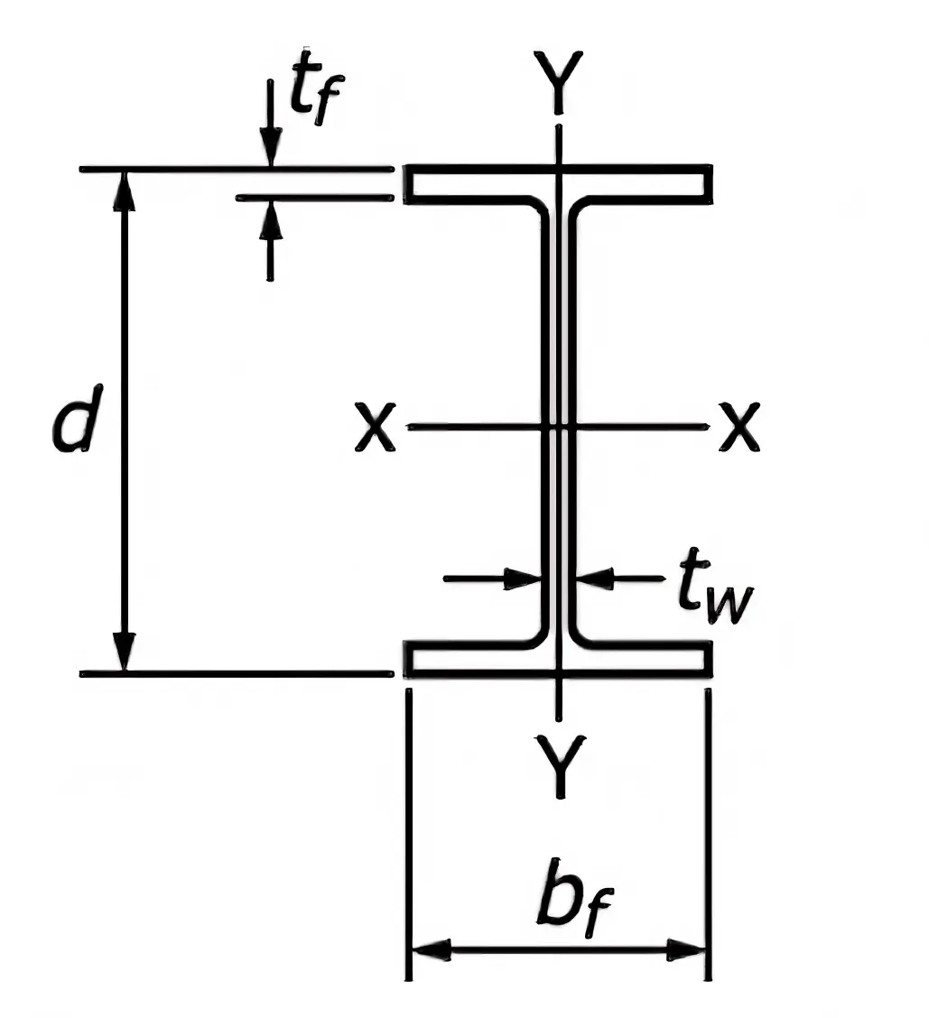
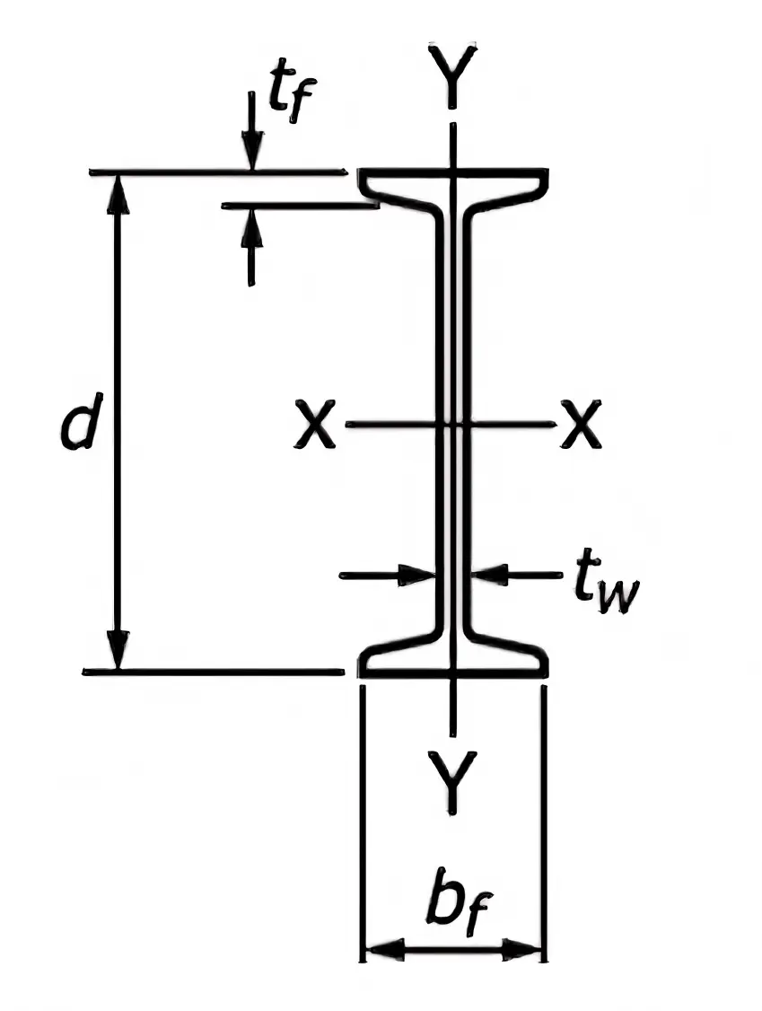
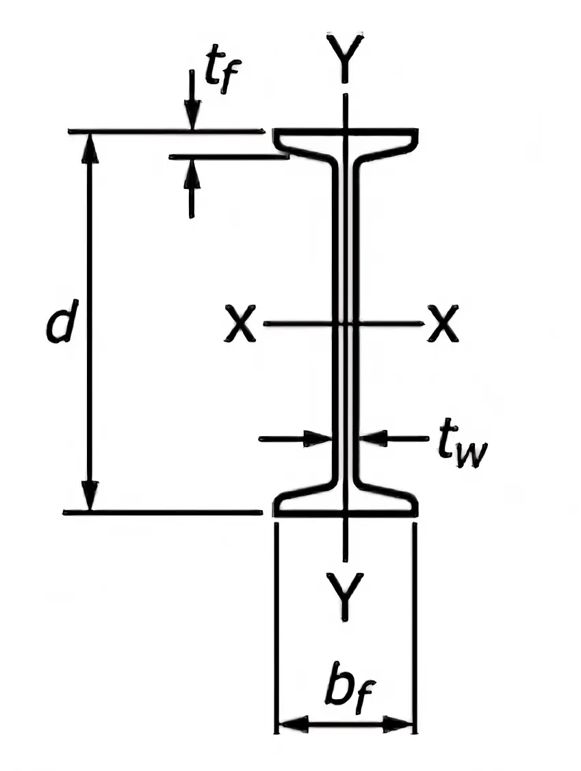
Our Corten steel H bars meet ASTM A6/6M dimensional guidelines whereas advertising predominant weathering execution compared to standard carbon steel. The interesting chemical composition makes a defensive oxide layer that normally stands up to air erosion. This self-protecting characteristic makes these pillars idealize for uncovered applications where upkeep get to is limited.
Key Features:

| Designation | Depth (in) | Flange Width (in) | Web Thickness (in) | Flange Thickness (in) | Weight (lb/ft) |
|---|---|---|---|---|---|
| W6×9 | 5.90 | 3.94 | 0.170 | 0.215 | 9.0 |
| W8×13 | 7.99 | 4.00 | 0.230 | 0.255 | 13.0 |
| W10×22 | 10.17 | 5.75 | 0.240 | 0.360 | 22.0 |
| W12×26 | 12.22 | 6.49 | 0.230 | 0.380 | 26.0 |
| W14×30 | 13.84 | 6.73 | 0.270 | 0.385 | 30.0 |
| W16×36 | 15.86 | 6.99 | 0.295 | 0.430 | 36.0 |

| Designation | Depth (in) | Flange Width (in) | Web Thickness (in) | Flange Thickness (in) | Weight (lb/ft) |
|---|---|---|---|---|---|
| S3×5.7 | 3.00 | 2.33 | 0.170 | 0.260 | 5.7 |
| S4×7.7 | 4.00 | 2.66 | 0.193 | 0.293 | 7.7 |
| S5×10 | 5.00 | 3.00 | 0.214 | 0.326 | 10.0 |
| S6×12.5 | 6.00 | 3.33 | 0.232 | 0.359 | 12.5 |
| S8×18.4 | 8.00 | 4.00 | 0.271 | 0.426 | 18.4 |
| S10×25.4 | 10.00 | 4.66 | 0.311 | 0.491 | 25.4 |

| Designation | Depth (in) | Flange Width (in) | Web Thickness (in) | Flange Thickness (in) | Weight (lb/ft) |
|---|---|---|---|---|---|
| M4×6 | 4.00 | 3.80 | 0.115 | 0.170 | 6.0 |
| M5×18.9 | 5.00 | 5.00 | 0.316 | 0.416 | 18.9 |
| M6×4.4 | 6.00 | 1.84 | 0.114 | 0.171 | 4.4 |
| M8×6.5 | 8.00 | 2.28 | 0.135 | 0.189 | 6.5 |
| M10×9 | 10.00 | 2.69 | 0.157 | 0.206 | 9.0 |
| M12×11.8 | 12.00 | 3.07 | 0.177 | 0.225 | 11.8 |

| Designation | Depth (in) | Flange Width (in) | Web Thickness (in) | Flange Thickness (in) | Weight (lb/ft) |
|---|---|---|---|---|---|
| HP8×36 | 8.02 | 8.16 | 0.445 | 0.445 | 36.0 |
| HP10×42 | 9.70 | 10.08 | 0.415 | 0.415 | 42.0 |
| HP12×53 | 11.78 | 12.04 | 0.435 | 0.435 | 53.0 |
| HP14×73 | 13.83 | 14.58 | 0.505 | 0.505 | 73.0 |
| HP16×88 | 15.88 | 16.50 | 0.565 | 0.565 | 88.0 |
| HP18×135 | 18.11 | 18.50 | 0.765 | 0.765 | 135.0 |
| Property | Specification | Value |
|---|---|---|
| Material Standard | ASTM A588 Grade B | - |
| Minimum Yield Strength | 50 ksi (345 MPa) | - |
| Tensile Strength | 70 ksi (485 MPa) | - |
| Chemical Composition | Carbon: 0.20% max | Manganese: 0.75-1.35% |
| Corrosion Resistance | 4x better than carbon steel | - |
| Atmospheric Corrosion Rate | 0.05-0.12 mm/year | Initial exposure |
| Weldability | Excellent | AWS D1.1 compliant |
| Temperature Range | -40°F to 150°F | Standard applications |
Deep Establishment Bolster: These weathering steel H pillars exceed expectations in officer heap and slacking frameworks, giving dependable soil maintenance for unearthings and storm cellar construction.
Marine Structures: The exceptional corrosion resistance of ASTM A588 Gr B Corten Steel H Beams makes them perfect for waterfront developments, piers, and coastal infrastructure where salt exposure is constant.
Bridge Development: Long-span bridges advantage from the decreased upkeep necessities and amplified benefit life these pillars provide.
Industrial Offices: Chemical plants, refineries, and fabricating offices depend on these pillars for their resistance to barometrical erosion and mechanical pollutants.


Integrated Arrangements: As portion of Tianjin Xinyue Steel Bunch, we offer total turnkey establishment building arrangements sponsored by over 40 a long time of steel fabricating experience.
Quality Assurance: Our "BUILD TO THE LAST" philosophy ensures every beam meets the highest quality standards for long-term structural integrity.
Global Reach: With abroad workplaces and stockrooms, counting UAE and Dubai, we give quicker conveyance and localized benefit worldwide.
Technical Mastery: Our designing group specializes in customized arrangements for complex framework ventures guaranteeing ideal execution for your particular requirements.
Comprehensive Stock: We keep up broad stock of different sizes and details, empowering fast shipment to meet tight venture timelines.
Q: What makes Corten steel distinctive from customary carbon steel?
A: Corten steel creates a steady, defensive rust layer that avoids assist erosion, advertising 4 times way better barometrical erosion resistance than standard carbon steel.
Q: How long do these H bars final in marine environments?
A: The product typically give 50+ a long time of benefit life in marine applications with negligible support requirements.
Q: Can these pillars be welded on-site?
A: Yes, these pillars offer amazing weldability and comply with AWS D1.1 welding measures for auxiliary applications.
Q: What sizes are accessible from stock?
A: We keep up comprehensive stock over W, S, M, and HP shapes. Contact our group for particular estimate accessibility and custom requirements.
Q: Do you give specialized back for extend design?
A: Completely! Our experienced building group gives total specialized back from plan meeting to on-site establishment direction.
Ready to enhance your foundation projects with ASTM A588 Gr B Corten Steel H Beams superior weathering steel solutions? Contact our expert team at sales@hypile.com to discuss your requirements and receive a customized quote for your next project.
Have a project in mind? Tell us your goals — we’ll help you make it real.