When you need exceptional strength and durability for your foundation projects, A690 High-Strength Steel Sections deliver unmatched performance. These premium steel areas are particularly designed to meet the requesting prerequisites of profound establishment back, marine structures, and warrior bar frameworks. Our comprehensive stock incorporates W, S, M, and HP formed pillars that comply with ASTM A6/6M dimensional benchmarks, guaranteeing reliable quality for your basic framework projects.
Our A690 steel segments speak to the apex of auxiliary building fabulousness. These high-strength profiles offer predominant load-bearing capacity whereas keeping up fabulous weldability and manufacture characteristics. The progressed metallurgy of A690 steel gives upgraded erosion resistance, making these areas perfect for challenging situations counting coastal and marine applications.
Key Features:

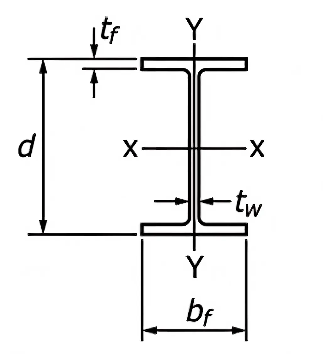
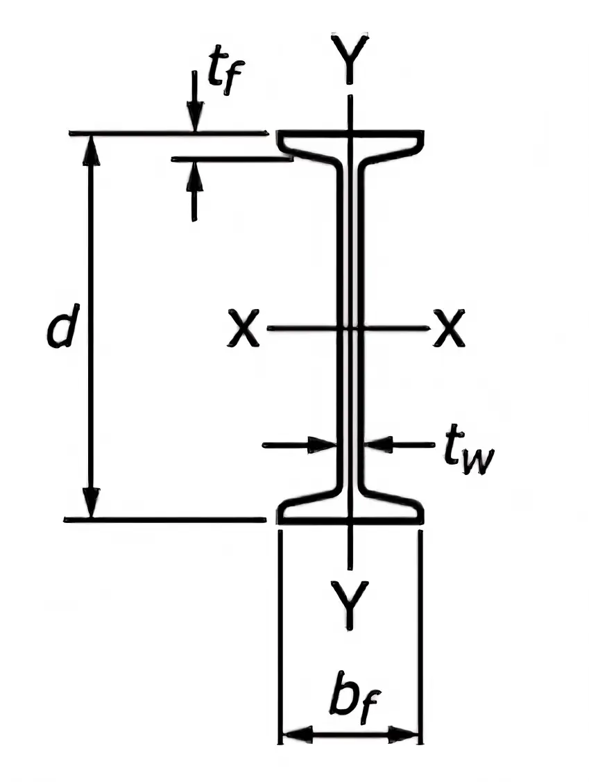
| Designation | Weight (lbs/ft) | Depth (in) | Flange Width (in) | Web Thickness (in) | Flange Thickness (in) |
|---|---|---|---|---|---|
| W12×26 | 26.0 | 12.22 | 6.490 | 0.230 | 0.380 |
| W14×30 | 30.0 | 13.84 | 6.730 | 0.270 | 0.385 |
| W16×36 | 36.0 | 15.86 | 6.985 | 0.295 | 0.430 |
| W18×40 | 40.0 | 17.90 | 6.015 | 0.315 | 0.525 |
| W21×44 | 44.0 | 20.66 | 6.500 | 0.350 | 0.450 |

| Designation | Weight (lbs/ft) | Depth (in) | Flange Width (in) | Web Thickness (in) | Flange Thickness (in) |
|---|---|---|---|---|---|
| S10×25.4 | 25.4 | 10.00 | 4.661 | 0.311 | 0.491 |
| S12×31.8 | 31.8 | 12.00 | 5.078 | 0.350 | 0.544 |
| S15×42.9 | 42.9 | 15.00 | 5.640 | 0.411 | 0.622 |
| S18×54.7 | 54.7 | 18.00 | 6.251 | 0.461 | 0.691 |
| S20×66 | 66.0 | 20.00 | 6.255 | 0.505 | 0.795 |

| Designation | Weight (lbs/ft) | Depth (in) | Flange Width (in) | Web Thickness (in) | Flange Thickness (in) |
|---|---|---|---|---|---|
| M8×6.5 | 6.5 | 8.00 | 2.281 | 0.135 | 0.189 |
| M10×9 | 9.0 | 10.00 | 2.690 | 0.157 | 0.206 |
| M12×11.8 | 11.8 | 12.00 | 3.065 | 0.177 | 0.225 |
| M14×18 | 18.0 | 14.00 | 4.000 | 0.230 | 0.270 |
| M16×20 | 20.0 | 16.00 | 4.015 | 0.250 | 0.295 |

| Designation | Weight (lbs/ft) | Depth (in) | Flange Width (in) | Web Thickness (in) | Flange Thickness (in) |
|---|---|---|---|---|---|
| HP10×42 | 42.0 | 9.70 | 10.075 | 0.415 | 0.420 |
| HP12×53 | 53.0 | 11.78 | 12.045 | 0.435 | 0.445 |
| HP14×73 | 73.0 | 13.83 | 14.585 | 0.505 | 0.505 |
| HP16×88 | 88.0 | 15.88 | 16.475 | 0.565 | 0.565 |
| HP18×135 | 135.0 | 18.11 | 18.500 | 0.750 | 0.750 |
Material Specifications:
Manufacturing Standards:


Marine Infrastructure:
Idealize for seawalls, waterfront structures, and seaward stages where saltwater introduction requests superior erosion resistance of A690 High-Strength Steel Sections.Deep Foundation Systems:
Ideal for soldier pile walls, earth retention systems, and deep foundation applications requiring high structural capacity.
Bridge Construction:
Excellent choice for bridge docks, projections, and brief works where quality and toughness are paramount.
Industrial Facilities:
Suitable for overwhelming mechanical structures, hardware establishments, and specialized fabricating facilities.
At Tianjin Hypile Foundation Engineering Co., Ltd., we bring over 40 years of steel manufacturing expertise to every project. Our comprehensive approach combines prevalent item quality with uncommon benefit conveyance.
Our Advantages:
We get it that your venture victory depends on dependable fabric supply and specialized brilliance. That's why we keep up significant stock levels and give comprehensive specialized back all through your extend lifecycle.
Q: What makes the item predominant to standard grades?
A: A690 steel offers improved surrender quality and prevalent erosion resistance compared to standard grades, making it perfect for requesting applications.
Q: Can these areas be welded in field conditions?
A: Yes, A690 steel keeps up fabulous weldability characteristics appropriate for both shop and field welding operations.
Q: What lead times ought to I anticipate for custom sizes?
A: Standard sizes transport inside 7-15 days, whereas custom manufactures ordinarily require 20-45 days depending on specifications.
Q: Do you give process test certificates?
A: Completely. Each shipment incorporates total process test certificates with chemical investigation and mechanical properties.
Q: Can you handle expansive extend quantities?
A: Yes, our broad fabricating capabilities and stock administration frameworks suit ventures of any scale.
Ready to specify A690 High-Strength Steel Sections for your next project? Contact our technical team at sales@hypile.com for detailed specifications, pricing, and delivery schedules. We're here to support your engineering success with reliable, high-quality steel solutions.
Have a project in mind? Tell us your goals — we’ll help you make it real.