When you're looking for reliable crane rail solutions, Chinese Standard Rail manufactured by Tianjin Hypile Foundation Engineering Co., Ltd. delivers exceptional performance and durability. Our crane rails are produced according to Chinese standard YB/T 5055-2014, ensuring consistent quality and reliability for your lifting operations. Whether you need QU70, QU80, QU100, or QU120 models, our products are designed to meet the demanding requirements of industrial applications. With over 40 years of manufacturing experience backed by Tianjin Xinyue Steel Group, we provide comprehensive crane rail solutions that you can trust.
Our crane rail item line covers a comprehensive extend of determinations planned for different mechanical applications. The item arrangement incorporates four primary models: QU70, QU80, QU100, and QU120, each designed to handle distinctive stack necessities and operational conditions.
We make these rails utilizing premium steel grades counting U71Mn, U75V, U75CrV, U77MnCr, and U76CrRE. Each review offers particular points of interest in terms of quality, wear resistance, and weariness execution. Our hot-rolled fabricating handle guarantees prevalent metallurgical properties and dimensional accuracy.
The standard length ranges from 12 to 25 meters, in spite of the fact that we can customize lengths concurring to your particular venture prerequisites. This adaptability permits for ideal establishment arranging and decreased squander on your development site.
| Model | Weight (kg/m) | Head Width (mm) | Height (mm) | Base Width (mm) | Head Thickness (mm) | Web Thickness (mm) | Base Thickness (mm) |
|---|---|---|---|---|---|---|---|
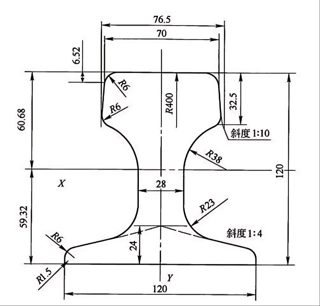
| QU70 | 52.8 | 70 | 120 | 120 | 28 | 20 | 25 |
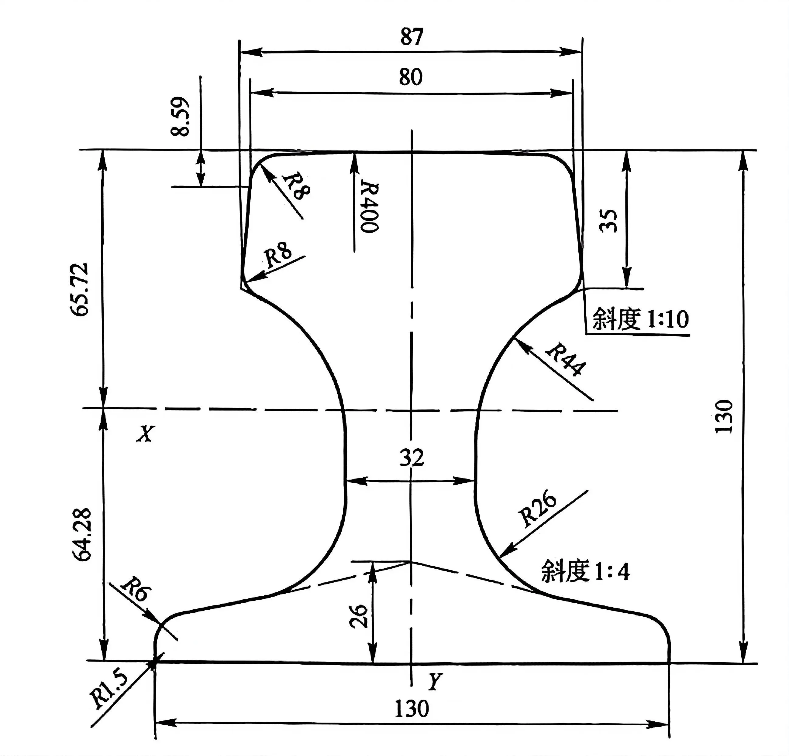
| QU80 | 63.69 | 80 | 130 | 130 | 32 | 22 | 27 |
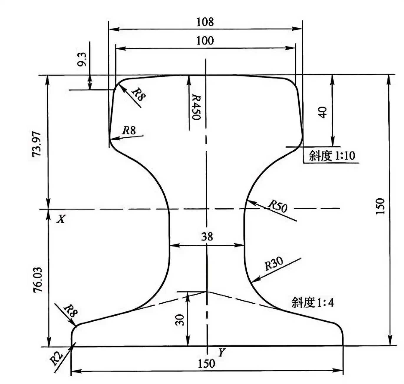
| QU100 | 88.96 | 100 | 150 | 150 | 38 | 26 | 32 |
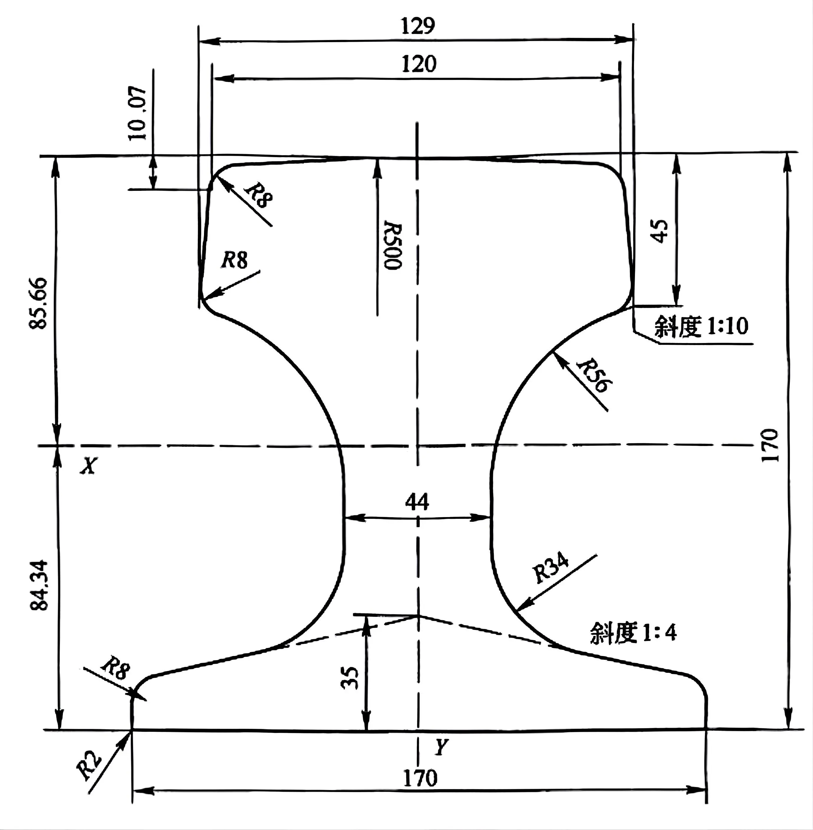
| QU120 | 118.1 | 120 | 170 | 170 | 43 | 30 | 37 |




Available Steel Grades:
| Parameter | Specification |
|---|---|
| Standard | YB/T 5055-2014 |
| Manufacturing Process | Hot-rolled |
| Length Options | 12-25m (customizable) |
| Tensile Strength | 880-1180 MPa (varies by grade) |
| Yield Strength | 490-930 MPa (varies by grade) |
| Hardness | 260-400 HB (varies by grade) |
| Surface Finish | Mill finish or treated |
| Straightness Tolerance | ≤ 2mm/m |
| Dimensional Tolerance | ±2mm |
High Load-Bearing Capacity: Our rails are designed to handle overwhelming crane loads with fabulous basic astuteness. The optimized cross-sectional plan disseminates loads successfully over the rail head and base.
Enhanced Wear and Weariness Resistance: Progressed metallurgy and controlled rolling forms make predominant wear characteristics. Your rails will keep up their profile longer beneath rehashed stacking cycles.
Hot-Rolled Fabricating for Predominant Quality: Our hot-rolling prepare guarantees reliable fabric properties all through the rail area. This fabricating strategy gives superior grain structure and mechanical properties compared to elective processes.
Standardized and Customizable Details: Whereas we keep up strict adherence to Chinese benchmarks, we offer customization alternatives for length and extraordinary necessities to coordinate your particular venture needs.
Versatile Applications: These rails work superbly for overhead cranes, gantry cranes, trolley tracks, and different fabric dealing with frameworks over diverse industries.
Cost-Effectiveness Over Time: The combination of strength, execution, and competitive estimating conveys great esteem all through the benefit life of your crane system.
Our Chinese Standard Rail products serve diverse industrial sectors including:
The versatility of our rail systems makes them suitable for both indoor and outdoor installations, with optional surface treatments available for enhanced corrosion resistance in challenging environments.
Integrated Turnkey Arrangements: We give total crane rail arrangements from fabricating to establishment back. Our end-to-end benefit approach streamlines your acquirement prepare and guarantees framework compatibility.
Strong Manufacturing Heritage: As a subsidiary of Tianjin Xinyue Steel Group, we leverage over four decades of steel manufacturing expertise and global project experience.
Quality Assurance: Our "BUILD TO THE LAST" philosophy drives every aspect of our manufacturing process. We focus on long-term performance and structural integrity.
Global Benefit Organize: With abroad workplaces and stockrooms, counting offices in the UAE and Dubai, we give responsive benefit and speedier conveyance worldwide.
Customization Capabilities: Our building group works closely with you to create custom-made arrangements for complex ventures and one of a kind requirements.
Comprehensive Testing: Each clump experiences thorough quality control testing to confirm mechanical properties, dimensional exactness, and surface quality some time recently shipment.
Q: What's the difference between various steel grades?
A: Each grade offers specific performance characteristics. U71Mn provides standard performance for general use, while U77MnCr and U76CrRE offer enhanced properties for heavy-duty applications with superior wear resistance and fatigue life.
Q: Can you provide rails longer than 25 meters?
A: Yes, we can manufacture longer rails based on your specifications. However, transportation and handling considerations may apply for extra-long sections.
Q: What surface treatments are available?
A: We offer mill finish as standard, with optional treatments including galvanizing and specialized coatings for corrosion protection in marine or chemical environments.
Q: How do you ensure dimensional accuracy?
A: Our hot-rolling process includes precision control systems and comprehensive quality checks. Every rail undergoes dimensional verification before shipping.
Q: What technical support do you provide?
A: We offer installation guidance, engineering consultation, and ongoing technical support throughout your project lifecycle.
Q: What are your delivery timeframes?
A: Standard delivery is typically 3-4 weeks from order confirmation, though this varies based on quantity and specifications. Our global warehouse network helps reduce delivery times for many locations.
Ready to discuss your crane rail requirements, including Chinese Standard Rail? Contact our technical team at sales@hypile.com for detailed specifications, pricing, and project consultation. We're here to help you find the perfect rail solution for your application.
Have a project in mind? Tell us your goals — we’ll help you make it real.