You benefit from our complete in-house capabilities, including Casing Shoes, from steel production through final fabrication and quality control.
When you're drilling through challenging ground conditions, protecting your expensive casing equipment becomes critical. Casing Shoes from Tianjin Hypile Foundation Engineering provide the robust protection your drilling operations need. Our precision-engineered shoes ensure casing tips from misshapening whereas driving through difficult or deterred strata. Whether you're working on marine development, bridge establishments, or urban improvement ventures, these basic components guarantee your boring hardware keeps up ideal execution all through requesting operations. Built with our "Construct TO THE Final" reasoning, you get solid security that expands hardware life and decreases venture costs.
Our boring shoe congregations are uncommonly planned to upgrade your establishment penetrating operations. These defensive components serve as the cutting edge for both inward and external casing frameworks, giving predominant soil relocation and keeping up clean borehole dividers. You'll involvement made strides entrance capability and decreased driving resistance, making your boring operations more proficient and cost-effective.
Each shoe highlights accuracy fabricating that guarantees idealize fit and long-lasting execution. The vigorous development handles extraordinary penetrating conditions whereas keeping up dimensional precision all through expanded use.

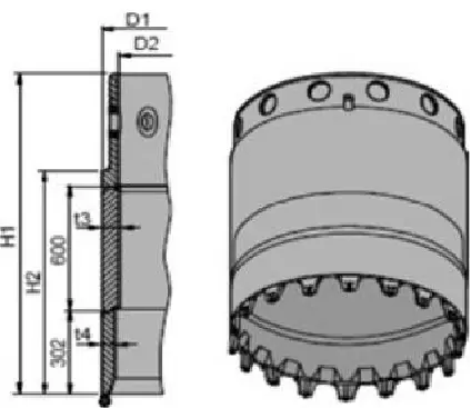
| D1/D2 | H1 | H2 | t3/t4 | Weight | Joint |
| mm | mm | mm | mm | (kg) | (No.) |
| 620/540 | 1186 | 954 | 40/35 | 590 | 8 |
| 750/670 | 1186 | 40/35 | 725 | 10 | |
| 880/800 | 1186 | 954 | 40/35 | 855 | 10 |
| 1000/920 | 1186 | 954 | 40/35 | 975 | 10 |
| 1180/1100 | 1186 | 954 | 40/35 | 1160 | 12 |
| 1200/1120 | 1186 | 954 | 40/35 | 1177 | 12 |
| 1300/1220 | 1186 | 954 | 40/35 | 1275 | 12 |
| 1500/1400 | 1321 | 969 | 50/45 | 2005 | 12 |
| 1800/1700 | 1321 | 969 | 50/45 | 2420 | 16 |
| 2000/1880 | 1402 | 1002 | 60/55 | 3290 | 18 |
| 2200/2080 | 1402 | 1002 | 60/55 | 3640 | 18 |
| 2500/2380 | 1402 | 1002 | 60/55 | 4110 | 24 |
Custom sizes available upon request to meet specific project requirements
| Parameter | Specification |
|---|---|
| Material | High-strength structural steel Q355B |
| Hardness | HRC 45-50 (cutting edge) |
| Tensile Strength | ≥490 MPa |
| Yield Strength | ≥355 MPa |
| Operating Temperature | -40°C to +80°C |
| Cutting Edge Angle | 30-45° (customizable) |
| Surface Treatment | Hot-dip galvanized or epoxy coating |
| Manufacturing Standard | API, ASTM, EN standards |
| Quality Control | 100% dimensional inspection |
Superior Protection Performance
You get exceptional casing tip protection, including Casing Shoes, that prevents costly deformation damage during drilling through hard strata or unexpected obstructions.
Enhanced Penetration Capability
Our cutting edge design significantly improves your drilling efficiency by reducing driving resistance for both inner and outer casing systems.
Precise Concentric Alignment
Maintains perfect alignment between inner and outer casings, ensuring smooth drilling operations and preventing equipment binding.
Clean Cutting Action
The optimized cutting edge ensures efficient soil displacement and creates stable borehole walls for better concrete placement.
Extended Equipment Life
Protects your expensive double casing systems, dramatically improving reusability and reducing replacement costs.
Customization Flexibility
We provide tailored solutions to match your specific drilling requirements and ground conditions.
Marine Construction Projects
Our protective shoes excel in offshore pile installation where salt water and abrasive marine sediments challenge standard equipment.
Urban Foundation Work
Perfect for city construction where underground obstacles and varying soil conditions require reliable casing protection.
Bridge Foundation Engineering
Ideal for deep foundation work where precision drilling and equipment protection are essential for structural integrity.
Industrial Facility Development
Suitable for heavy industrial projects requiring robust foundation systems in challenging geological conditions.
Infrastructure Development
Proven performance in highway, railway, and utility infrastructure projects across diverse ground conditions.
Four Decades of Steel Excellence
As part of Tianjin Xinyue Steel Group, we bring over 40 years of steel manufacturing expertise to every product we create.
Integrated Manufacturing Solutions
You benefit from our complete in-house capabilities, including Casing Shoes, from steel production through final fabrication and quality control.
Global Project Experience
Our products perform successfully in international projects, backed by overseas offices and warehouses for rapid support.
Quality-First Philosophy
Every shoe undergoes rigorous quality control to ensure it meets our "BUILD TO THE LAST" standards.
Comprehensive Support Services
From initial consultation through installation support, our team provides complete technical assistance for your projects.
Competitive Advantage
Direct manufacturer pricing combined with superior quality gives you exceptional value for your foundation engineering investments.
Q:What materials are utilized in manufacturing?
A:We utilize high-strength basic steel Q355B with specialized warm treatment for cutting edges, guaranteeing ideal strength and performance.
Q:Can you give custom sizes?
A:Yes, we specialize in custom creation to meet particular extend necessities. Our designing group works with you to create ideal solutions.
Q:What surface medicines are available?
A:We offer hot-dip galvanizing and specialized epoxy coatings to give predominant erosion security for marine and unforgiving environments.
Q:How do I decide the right measure for my project?
A:Our specialized group gives meeting to coordinate shoe details with your casing framework and ground conditions.
Q:What's the typical delivery time?
A:Standard sizes ship within 2-3 weeks. Custom orders typically require 4-6 weeks depending on specifications and quantity.
Q:Do you provide installation support?
A:Yes, our experienced engineers offer on-site technical support and installation guidance for complex projects.
Ready to protect your drilling investment? Contact our technical team at sales@hypile.com for detailed specifications and project consultation. Let us help you select the perfect Casing Shoes for your next foundation engineering project.
Have a project in mind? Tell us your goals — we’ll help you make it real.